购物车
登录
Log In with Facebook
Login with Google +
简体中文
English
日本語
货币:
USD
EUR
AUD
HKD
JPY
MXN
CNY
首页
爱游戏(aty)中国官方网站
关于爱游戏(aty)中国官方网站
爱游戏(aty)中国官方网站
资料下载
人才计划
售后服务
联系我们
分类
自聚焦透镜
(5)
准直透镜
成像透镜
耦合透镜
分波透镜
分光透镜
器件
(1)
光纤准直器
光纤旋转连接器
镀膜
帮助中心
自聚焦透镜
首页
>
爱游戏(aty)中国官方网站
>
自聚焦透镜
1.
自聚焦透镜简介
1.1
自聚焦透镜:
自聚焦透镜是一种折射率分布沿径向渐变的柱状光学透镜,具有聚焦和成像功能。
1.2
自聚焦透镜的特点
:
当光线在空气中传播遇到不同介质时,由于介质的折射率不同会改变其传播方向。传统的透镜是通过控制透镜表面的曲率,利用产生的光程差使光线汇聚成一点。(图1)
自聚焦透镜与普通透镜的区别在于,自聚焦透镜材料折射率的分布沿径向逐渐减小,能够使沿轴向传输的光产生连续折射,从而实现出射光线平滑且连续的汇聚到一点。(图2)
自聚焦透镜利用了梯度变折射率分布沿径向逐渐减小的变化特征,其折射率变化由公式
1
表述。其折射率分布曲线见图
3
。
公式
(1)
中
:In equation(1):
No ………
自聚焦透镜中心折射率
r …………
自聚焦透镜半径
√A
………
自聚焦透镜的折射率分布常数
1.3
光在不同节距自聚焦透镜中的传播轨迹
1.4
自聚焦透镜的主要参数
1.4.1
节距(
P
)
在自聚焦透镜中,光束沿正弦轨迹传播完成一个正弦波周期的长度即称为一个节距
。
1.4.2
透镜长度
(Z
)
自聚焦透镜透镜两端中心轴线间的距离。
1.4.3
折射率分布常数(√A
)
自聚焦透镜的折射率沿径向分布常数。
1.4.4
数值孔径(
N.A.
)
公式
(2)
中
:
Figure 2
n
…………
入射光所在介质的折射率
a
m………
入射光线的最大孔径角
2.
自聚焦透镜的应用原理
由于自聚焦透镜具有端面聚焦、准直及成像特性,以及其圆柱状的外形特点,因而可以应用在多种不同的微型光学系统中。
2.1
聚焦和准直
Focusing and Collimating
2.1.1
聚焦
Focusing
根据自聚焦透镜的传光原理
,
对于
1/4
节距的自聚焦透镜
,
当从一端面输入一束平行光时
,
经过自聚焦透镜后光线会汇聚在另一端面上。这种端面聚焦的功能是传统曲面透镜所无法实现的。如下图
5所示:
2.1.2
准直
准直是聚焦功能的可逆应用。根据自聚焦透镜的传光原理,对于
1/4
节距的自聚焦透镜,当汇聚光从自聚焦透镜一端面输入时,经过自聚焦透镜后会转变成平行光线。如下图
6所示:
2.1.3
准直和聚焦的应用
自聚焦透镜是光纤通讯无源器件中必不可少的基础器件
,
应用于要求有聚焦和准直功能的各种场合
,
如
:
准直器、耦合器、光隔离器、光开关、波分复用器等等。例如图
7中两个自聚焦透镜分别用做准直和聚焦,这样我们可在两个自聚焦透镜之间加入多种光学器件,例如:滤波片、偏振片、法拉第旋光器等等,来构成多种光学无源器件。
2.2
耦合聚焦 Coupling and Focus
由于自聚焦透镜可以通过端面完成聚焦功能,加之其简单的圆柱外型,使得它在进行光能量连接及转换中有着很广泛的用途。例如
:光纤和光源、光纤和光电探测器以及光纤和光纤之间的耦合等等。
图
8
中表示
L1
为光源或光纤到自聚焦透镜端面的距离,
Z
为自聚焦透镜的长度,
L2
为自聚焦透镜端面到光纤的距离。为了使光源或光纤发出的光经过自聚焦透镜聚焦后能够有效地耦合进光纤,需要调节
L1
和
L2
的距离来达到最佳耦合效率。但是,在实际耦合过程中,耦合效率要小于其理论值,其原因是耦合效率与器件的结构和使用方法有直接的关系。
2.3
成像
2.3.1
单透镜成像
自聚焦透镜除具备一般曲面透镜的成像功能外还具有端面成像的特性。对于
P/2
节距的自聚焦透镜,其端面成像机理如图
9所示:
根据这一成像原理,采用
P/2
的整数倍长透镜可以实现显微摄像系统中端面到端面的像中继传输。因此低色差的自聚焦透镜在各种医用内窥镜及工业内镜中作为物镜和中继透镜得到了越来越广泛的应用。
3.
自聚焦透镜的性能
3.1 自聚焦透镜性能指标
3.2
透镜表面质量(在
20倍放大镜下观测)
3.3
标准透镜参数
The standard parameter
数值孔径(
N.A.
)
直径
(Diameter)
节距
(Pitch)
波长(
Wavelength
)
0.46
1.0mm
0.23
,
0.25
630
,
780
830
,
1060
1310
,
1550
980/1550
1250~1650
TAP-PD
1.8mm
0.14
,
0.18
,
0.23
,
0.24
,
0.25
,
0.35
3.0mm
0.07
,
0.11
,
0.17
,
0.20
0.60
1.8mm
0.22
,
0.29
3.4 自聚焦透镜应用参数
3.5
透镜端面角度
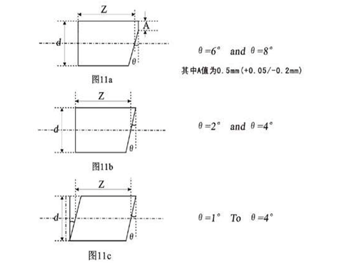
对透镜端面进行角度化处理,可以有效减少表面的回光反射,此项目对于所有直径大于1.0
mm
、长度大于
2.3mm
以上的透镜均适用。
有两种形式的角度化处理可供选择,一种是单端面角度化处理,另一种是双端面角度化处理。对单端面而言,一端倾斜,而另一端垂直于光轴(
见图
11a
、图
11b)
;对于双端面而言,两端面相互平行并都倾斜于光轴
(
见图
11c)。
3.6 镀膜 Coating
在透镜端面镀制增透膜,可以有效地减少光能量的损失;同时有助于保护透镜表面,避免潮湿、化学反应和物理损伤。
分光透镜
产品编号 #05
查看更多
分波透镜
产品编号 #04
查看更多
耦合透镜
产品编号 #03
查看更多
成像透镜
产品编号 #02
查看更多
准直透镜
产品编号 #01
查看更多
<<
1
>>
华中区销售
华东区销售
华北区销售
海外销售
华南区销售
TOP
胜游体育-胜游体育(中国)官方在线
|
开云链接官网(中国)有限公司-官网
|
开运体育(中国)官方网站-开运体育(中国)官方网站
|
开元ky官方-KY开元官网下载官方版
|
开云·官方版网站登录入口 - 开云(中国)
|
qy千亿体育·(中国)平台官方网站
|
KY开元(集团) - 官方网站
|
欧亿体育-欧亿体育(中国)
|